Warenkorb
(0)
Sie haben keine Artikel im Korb.
Registrierung
Anmelden
CHF
Euro
Menu
Suchen
Alle Kategorien
Pumpenhersteller
Zahnradpumpen
Motorenhersteller
Maschinenhersteller
Endantriebe
Ersatzteile
Steuerblöcke
Ventile
Filtration
Speicher
Messgeräte
Öl-Luftkühler
Elektrotechnik
Mobile- und Prüfaggregate
Mietgeräte
Filters
Schliessen
Startseite
Produkte
Pumpenhersteller
Bosch Rexroth
Danfoss
Handok
Hansa TMP
Hawe Hydraulik
Hitachi
Kawasaki
Kayaba
alle anzeigen
Zahnradpumpen
DIN-Norm, d=50mm, Kon. 1:5, IHC
DIN-Norm,d=50 mm,Kon. 1:5,KHD
DIN-Norm, d=52 mm, Klauenwelle
DIN-Norm, d=80mm, DIN 5482
DIN-Norm, d=80 mm, Kon. 1:5
DIN-Norm, d=105mm, Kon 1:5
SAE-A, 9 Zähne
SAE-A, 10 Zähne
alle anzeigen
Motorenhersteller
Bondioli Pavesi
Bosch Rexroth
Danfoss
Eaton
Hansa TMP
Hydro Leduc
Linde
Parker
alle anzeigen
Maschinenhersteller
Caterpillar
Kobelco
Schaeff
Volvo
Bagger-Hilfspumpen
Endantriebe
Kayaba
Nachi
TongMyung
Weitere
Ersatzteile
Wellendichtringe
Magnetspulen
Bosch Rexroth
Danfoss
Komatsu
Nachi
Parker
Poclain
alle anzeigen
Steuerblöcke
Ventile
Druckbegrenzungsventile
Druckreduzierventile
Drosselventile
Stromregelventile
Sperrventile
Senkbremsventile
Wegeventile
Druckwaagen
alle anzeigen
Filtration
Belüftungsfilter
Druckfilter
Entfeuchter
Filtergeräte mobil
Speicher
Blasenspeicher
Membranspeicher
Messgeräte
Manometer
Multimeter
Partikelmessgeräte
Mess-Adapter
Drucksensoren
Öl-Luftkühler
Elektrotechnik
Mobile- und Prüfaggregate
Mietgeräte
Mein Konto
Kontakt
Menu
Startseite
Produkte
zurück
Pumpenhersteller
zurück
Bosch Rexroth
zurück
A2FO
A4VG
A4VSG
A4VSO
A7VO
A10CO
A10VG
A10VO
alle anzeigen
Danfoss
zurück
Serie 45 – Frame L
Serie 45 – Frame K
Serie 45 – Frame J
Serie 45 – Frame F
Serie 45 – Frame E
Serie 90
Handok
zurück
Kawasaki H3VL
Kawasaki H3V
Kawasaki H5V
Uchida HP2D
Kayaba HSVD2
Nachi PVK
Hansa TMP
zurück
Serie V
Serie TPV
Hawe Hydraulik
zurück
V60N
Radialkolbenpumpen
Zubehör
Hitachi
Kawasaki
zurück
K3V
K3VL
K5V
Kayaba
zurück
PSVD2
KFP, KP
alle anzeigen
Zahnradpumpen
zurück
DIN-Norm, d=50mm, Kon. 1:5, IHC
DIN-Norm,d=50 mm,Kon. 1:5,KHD
DIN-Norm, d=52 mm, Klauenwelle
DIN-Norm, d=80mm, DIN 5482
DIN-Norm, d=80 mm, Kon. 1:5
DIN-Norm, d=105mm, Kon 1:5
SAE-A, 9 Zähne
SAE-A, 10 Zähne
alle anzeigen
Motorenhersteller
zurück
Bondioli Pavesi
zurück
M4 MV
Bosch Rexroth
zurück
A2FM
A6V
A6VE
A6VM
Radialkolbenmotoren MCR
Danfoss
zurück
OML, OMM, OMP, OMPW
OMPW N
OMR, OMH
OMRW N
OMEW
OMS, OMT, OMV
Eaton
Hansa TMP
zurück
TMF
Hydro Leduc
zurück
Baureihe M
Linde
zurück
HMF/A/V/R
Parker
zurück
F1
F11
F12
TF, TG, TH, TK
Zubehör
alle anzeigen
Maschinenhersteller
zurück
Caterpillar
Kobelco
Schaeff
Volvo
Bagger-Hilfspumpen
Endantriebe
zurück
Kayaba
Nachi
TongMyung
Weitere
Ersatzteile
zurück
Wellendichtringe
Magnetspulen
Bosch Rexroth
zurück
A4VG40/32
A4VG56/32
A4VG71/32
A4VG90/32
A4VG105, 125, 140/32
A10VO18/31
A10VO28/31
A10VO45/31
alle anzeigen
Danfoss
Komatsu
Nachi
zurück
PVD-0B / PVD-00B
PVD-1B
PVD-2B
PVD-3B
Parker
Poclain
alle anzeigen
Steuerblöcke
Ventile
zurück
Druckbegrenzungsventile
Druckreduzierventile
Drosselventile
Stromregelventile
Sperrventile
Senkbremsventile
Wegeventile
zurück
Wegesitzventile
Handsteuerventile
Cetop 03, NG6
Cetop 05, NG10
weitere Grössen
Druckwaagen
alle anzeigen
Filtration
zurück
Belüftungsfilter
Druckfilter
Entfeuchter
Filtergeräte mobil
Speicher
zurück
Blasenspeicher
Membranspeicher
Messgeräte
zurück
Manometer
Multimeter
Partikelmessgeräte
Mess-Adapter
Drucksensoren
Öl-Luftkühler
Elektrotechnik
Mobile- und Prüfaggregate
Mietgeräte
Mein Konto
Kontakt
Home
/
Ventile
/
Druckbegrenzungsventile
/
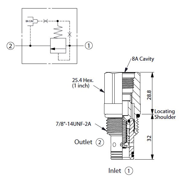
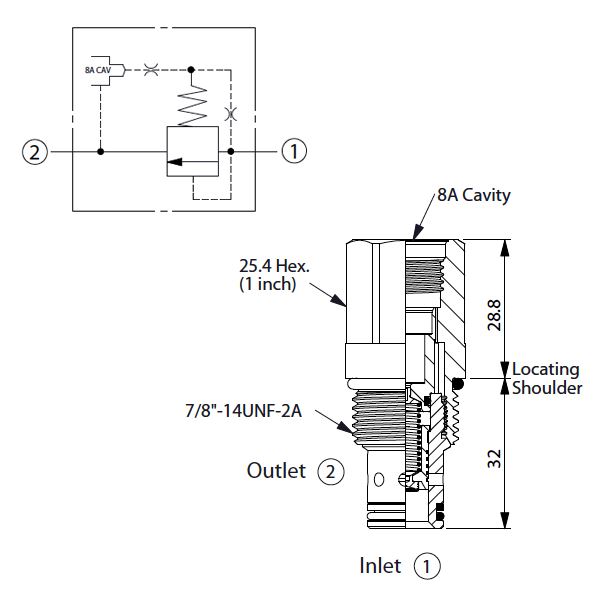
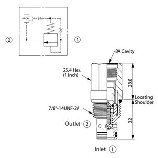
Druckbegr.Ventil RP-10W-20-W-8, 95 lpm
Druckbegr.Ventil RP-10W-20-W-8, 95 lpm
Preis/Stück
Artikelnummer:
103134
Menge:
Offerte anfordern
Druckbegrenzungsventil RP-10W-20-W-8 ohne Pilot
Einstellbereich: 7-350 bar
Durchfluss = 95 l/min
Bohrung 10W-2
minimale Druckeinstellung: 7 bar
Lieferzeit auf Anfrage
Beschrieb
Datenblätter / Spezifikationen
Produktanfrage
Druckbegrenzungsventil RP-10W-20-W-8 ohne Pilot
Einstellbereich: 7-350 bar
Durchfluss = 95 l/min
Bohrung 10W-2
minimale Druckeinstellung: 7 bar
Lieferzeit auf Anfrage
Produktspezifikation
Dokumente
RP-10W-8.pdf
Kategorien
Pumpenhersteller
Zahnradpumpen
Motorenhersteller
Maschinenhersteller
Endantriebe
Ersatzteile
Steuerblöcke
Ventile
Druckbegrenzungsventile
Druckreduzierventile
Drosselventile
Stromregelventile
Sperrventile
Senkbremsventile
Wegeventile
Druckwaagen
Vorsteuerventile
Proportionalventile
Rohrbuchsicherungsventile
Zwischenplatten-Ventile
Gehäuse
Sonderventile
Filtration
Speicher
Messgeräte
Öl-Luftkühler
Elektrotechnik
Mobile- und Prüfaggregate
Mietgeräte
Links
Hydraulik-Kompetenz Service GmbH
HF Hydraulik Fachschule
Kürzlich angesehen
Druckbegr.Ventil RP-10W-20-W-8, 95 lpm