Suchen
Filters
Schliessen

Axialkolbenp. A4VSO71DR/10R-PPB13N00

Preis/Stück
Artikelnummer: 103320
Offerte anfordern
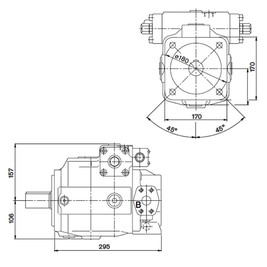
Axialkolben-Verstellpumpe A4VSO71DR/10R-PPB13N00
R910933007
Offener Kreislauf, Baureihe 10
Verdrängungsvolumen: 71 cm3/U
Druckregler
Drehrichtung: rechts
zylindrische Welle mit Passfeder, DIN 6885
Anbauflansch ISO 3019-2 metrisch, 4-Loch

Diese Pumpe wird nicht mehr produziert.
Bitte senden Sie uns Ihre Pumpe für eine Reparatur zu oder fragen Sie uns nach einem Alternativprodukt. Rufen Sie uns an unter 055 619 52 00.
Axialkolben-Verstellpumpe A4VSO71DR/10R-PPB13N00
R910933007
Offener Kreislauf, Baureihe 10
Verdrängungsvolumen: 71 cm3/U
Druckregler
Drehrichtung: rechts
zylindrische Welle mit Passfeder, DIN 6885
Anbauflansch ISO 3019-2 metrisch, 4-Loch

Diese Pumpe wird nicht mehr produziert.
Bitte senden Sie uns Ihre Pumpe für eine Reparatur zu oder fragen Sie uns nach einem Alternativprodukt. Rufen Sie uns an unter 055 619 52 00.
Produktspezifikation